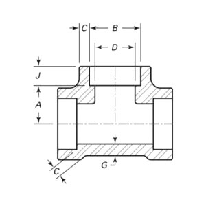
Forged Equal Tee는 파이프라인 시스템에서 유체, 가스 또는 증기 흐름을 균등하게 분할하거나 결합하도록 설계된 3개의 동일한 직경의 개구부가 있는 중요한 단조 파이프 피팅입니다. 불평등한 티와 달리 대칭 구조는 균형 잡힌 흐름 분포를 보장하고 시스템 성능을 방해할 수 있는 압력 불균형을 제거하여 일관된 흐름이 중요한 산업 응용 분야의 필수 요소입니다.
| 크기 | DN15(1/2")~DN600(24") |
| 압력 수준 | 2000~6000학년 |
| 스레드 유형 | NPT, BSPP, BSPT |
| 인증서 | PED, AD2000, EAC, ABS, BV, DNV, NORSOK M650, ISO9001, ISO14001, ISO45001 등. |
| 기능 소개 | 45° 파이프 회전을 실현하고 나사산 연결 설계로 설치 공간을 절약하며 컴팩트한 파이프라인 레이아웃에 적합합니다. |
| 응용 분야 | 고압 파이프라인 시스템용으로 설계되어 석유 정제, 원자력 장비, 화학 장비, 보일러 압력 용기 등과 같은 핵심 부품의 연결 및 조향에 적합합니다. |
| 포장 | 항해에 적합한 패키지, 합판 케이스 또는 팔레트 또는 고객 요구 사항에 따라 |
| 주요 제품 | 1、소규모 배치 최소 주문; |
그 장점으로는 견고한 구조적 완전성(단조로 인해 균열 위험 최소화), 간편한 통합(표준 파이프에 맞는 용접/나사 연결) 및 긴 서비스 수명이 있습니다. 균일한 흐름을 가능하게 함으로써 다운스트림 구성요소의 마모를 줄여 안정적이고 효율적인 파이프라인 운영에 필수적입니다.
원자재부터 최종 배송까지 모든 단계에서 엄격한 관리를 유지하여 내구성, 성능 및 일관성을 보장합니다.
01
02
03
04
05
06
07
08
09
10
11
12
