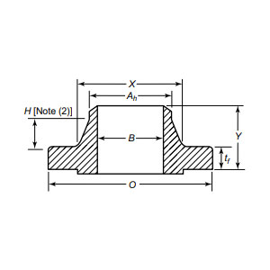
Weld Neck Flange는 견고한 맞대기 용접 연결과 정밀하게 제작된 밀봉 표면을 통해 탁월한 신뢰성을 제공하도록 설계된 고압, 고온 환경을 위한 최고의 솔루션입니다. 중요한 용도로 설계된 이 플랜지는 완전 관통 맞대기 용접을 통해 파이프라인과 원활하게 통합되어 극한의 압력, 열 변동 및 기계적 응력을 견딜 수 있는 모놀리식 구조를 생성하므로 정유소, 석유화학 플랜트 및 원자력 발전 시스템에 없어서는 안 될 요소입니다. 테이퍼드 넥 디자인은 구조적 무결성을 강화할 뿐만 아니라 응력 집중을 최소화하여 까다로운 조건에서도 장기적인 성능을 보장합니다. 고급 단조, 응력 완화 열처리, 정밀 마감, 엄격한 비파괴 테스트(NDT) 및 부식 방지 표면 처리를 포괄하는 생산 공정은 안전성과 내구성에 대한 업계 표준을 뛰어넘는 부품을 보장합니다.
| 직경 | DN15(1/2")-DN3500(138") |
| 압력 | 0.25-25MPa |
| 인증서 | PED, AD2000, EAC, ABS, BV, DNV, NORSOK M650, ISO9001, ISO14001, ISO45001 등 |
| 기능 소개 | 맞대기 용접 연결은 고압(HP) 및 고온(HT) 응용 분야에 고강도 밀봉을 제공하여 극한 조건에서 누출 방지 성능을 보장합니다. |
| 응용 분야 | 장거리 석유 및 가스 파이프라인, 해양 플랫폼, 화학 장비, 수처리 시스템, 식품 및 제약 산업의 파이프 플랜지 연결에 적용 가능하며 복잡한 작업 조건에 적합합니다. |
| 포장 | 항해에 적합한 패키지, 합판 케이스 또는 팔레트 또는 고객 요구 사항에 따라 |
| 주요 제품 | 1、소규모 배치 최소 주문; |
부식성 해수를 견디는 해저 파이프라인부터 뜨거운 온도에서 작동하는 증기 터빈에 이르기까지 Weld Neck 플랜지는 누출 방지 밀봉 및 작동 연속성을 보장합니다. 항공우주 유체 시스템 또는 극저온 저장과 같이 타협할 수 없는 품질을 요구하는 산업은 주기적인 부하 및 가혹한 매체 노출에서도 무결성을 유지하는 능력에 의존합니다. 뛰어난 재료 탄력성과 정밀 엔지니어링을 결합한 이 플랜지는 가동 중지 시간과 유지 관리를 최소화하여 수명 주기 비용을 절감합니다. 고위험 인프라를 보호하는 임무를 맡은 엔지니어에게는 Weld Neck Flange가 확실한 선택입니다. 최첨단 제조 기술과 산업 등급 복원력이 만나 극한의 압력, 온도 및 시간을 극복할 수 있는 운영 역량을 강화하는 프리미엄 웰드 넥 플랜지로 지금 시스템 성능을 높이세요. 우수성을 선택하고 내구성을 선택하여 중요한 시스템을 위한 미래 보장형 기반을 구축하세요.
원자재부터 최종 배송까지 모든 단계에서 엄격한 관리를 유지하여 내구성, 성능 및 일관성을 보장합니다.
01
02
03
04
05
06
07
08
09
10
11
12
