나사형 플랜지는 나사형 파이프 결합을 위한 안전하고 무용접 솔루션을 제공하여 파이프라인 연결에 혁명을 일으키며 안전성과 적응성이 타협할 수 없는 환경을 위한 최고의 선택입니다. 정밀한 내부 스레딩으로 설계된 이 플랜지는 아연도금 강철 파이프 또는 용접이 금지된 시스템(예: 가연성, 폭발성 또는 매우 민감한 산업 환경)과 원활하게 통합됩니다. 혁신적인 디자인은 용접과 관련된 화재 위험을 제거하여 엄격한 안전 프로토콜을 준수하는 동시에 고압 요구 사항을 견딜 수 있는 견고한 누출 방지 씰을 제공합니다. 스레드 연결을 통해 신속한 설치 및 분해가 가능하므로 유지 관리 팀이 특수 장비 없이도 시스템 문제를 해결하거나 업그레이드할 수 있으므로 화학 처리, 석유 및 가스 유통, 의약품 생산과 같은 중요한 작업에서 가동 중지 시간이 줄어듭니다.
| 크기 | DN15(1/2")-DN600(24") |
| 압력 등급 | 0.6-4.0MPa |
| 온도 범위 | -45℃~260℃ |
| 인증서 | PED, AD2000, EAC, ABS, BV, DNV, NORSOK M650, ISO9001, ISO14001, ISO45001 등. |
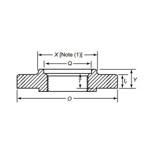
| 기능 소개 | 나사형 플랜지는 내부 파이프 나사산을 통해 나사형 파이프에 연결되므로 용접이 필요하지 않습니다. 아연 도금 강철 파이프 또는 제한된 용접 환경(인화성/폭발성)에 이상적입니다. 설치가 쉽고 유지 관리가 유연하며, 특히 용접성이 약한 합금강 및 기타 재료에 적합합니다. |
| 응용 분야 | 장거리 석유 및 가스 파이프라인, 해양 플랫폼, 화학 장비, 수처리 시스템, 식품 및 제약 산업의 파이프 플랜지 연결에 적용 가능하며 복잡한 작업 조건에 적합합니다. |
| 포장 | 항해에 적합한 패키지, 합판 케이스 또는 팔레트 또는 고객 요구 사항에 따라 |
| 주요 제품 | 1、소규모 배치 최소 주문; |
합금강과 같이 용접 문제가 발생하기 쉬운 재료에 이상적인 스레드 플랜지는 열로 인한 취성 또는 뒤틀림을 방지하고 재료 무결성을 유지합니다. 탄소강 또는 스테인리스강으로 제공되는 내부식성 구조는 해양 시추 플랫폼부터 식품 등급 위생 시스템에 이르기까지 열악한 환경에서도 수명을 보장합니다. 글로벌 표준을 엄격하게 준수하는 이 플랜지는 유압 시스템, 극저온 파이프라인 및 가연성 유체 이송을 포함한 고위험 응용 분야에서 신뢰성을 보장합니다. 안전, 효율성 및 비용 효율적인 유지 관리를 우선시하는 산업에 나사형 플랜지는 혁신적인 솔루션입니다. 혁신과 타협할 수 없는 안전성이 만나 가장 까다로운 조건에서도 시스템이 완벽하게 작동할 수 있게 해주는 프리미엄 스레드 플랜지로 지금 인프라를 향상시키십시오. 자신감과 내구성을 선택하고 파이프라인의 잠재력을 재정의하세요.
원자재부터 최종 배송까지 모든 단계에서 엄격한 관리를 유지하여 내구성, 성능 및 일관성을 보장합니다.
01
02
03
04
05
06
07
08
09
10
11
12
