소켓 용접 플랜지는 뛰어난 강도와 원활한 유체 역학을 통합하여 고압 파이프라인 연결을 재정의하고 소형, 고부담 응용 분야에서 탁월한 성능을 제공하도록 설계되었습니다. 작은 직경의 파이프용으로 설계된 이 플랜지는 플랜지 자체 내에서 용접 조인트를 캡슐화하는 소켓 용접 구성을 사용하여 외부 용접 돌출부를 제거하고 흐름 저항을 최소화합니다. 이는 난류 감소와 위생이 가장 중요한 시스템에서 중요한 이점입니다. 숨겨진 용접은 제약 또는 식품 가공 공장과 같은 멸균 환경에서 청소 및 검사를 간소화할 뿐만 아니라 구조적 무결성을 향상시켜 석유 및 가스 정제소, 화학 반응기 또는 고압 증기 라인의 진동 및 압력 서지에 저항합니다. 단조 탄소강 또는 스테인리스강을 정밀 가공하여 내식성과 뛰어난 인장 강도를 결합하여 극한의 온도와 압력에서도 누출 방지 밀봉을 보장합니다.
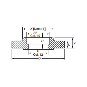
| 직경 범위 | DN15(1/2")-DN150(6") |
| 압력 등급 | 1.6-16MPa |
| 인증서 | PED, AD2000, EAC, ABS, BV, DNV, NORSOK M650, ISO9001, ISO14001, ISO45001 등 |
| 기능 소개 | 소켓 용접 연결, 숨겨진 용접 설계로 흐름 저항 감소, 소구경 고압 응용 분야에 최적화, 우수한 밀봉 성능 |
| 응용 분야 | 장거리 석유 및 가스 파이프라인, 해양 플랫폼, 화학 장비, 수처리 시스템, 식품 및 제약 산업의 파이프 플랜지 연결에 적용 가능하며 복잡한 작업 조건에 적합합니다. |
| 포장 | 항해에 적합한 패키지, 합판 케이스 또는 팔레트 또는 고객 요구 사항에 따라 |
| 주요 제품 | 1, 소량 배치 최소 주문; |
컴팩트한 디자인으로 좁은 공간에 설치가 간편하고, 견고한 연결이 주기적인 열팽창을 견디므로 해양 플랫폼, 발전 터빈 및 유압 시스템에 이상적입니다. 잠재적인 약점을 제거하고 유지 관리 주기를 줄임으로써 이 플랜지는 업계에서 효율성을 저하시키지 않고 안전을 우선시할 수 있도록 지원합니다. ASME B16.5 표준 준수 및 엄격한 비파괴 테스트를 통해 미션 크리티컬 작업의 신뢰성을 보장합니다. 내구성과 유체 최적화를 결합한 소형 고압 솔루션을 찾는 엔지니어에게는 소켓 용접 플랜지가 최고의 선택입니다. 혁신이 탄력성과 결합되어 시스템이 정밀하고 안전하며 흔들리지 않는 자신감으로 작동할 수 있도록 하는 정밀 엔지니어링 플랜지로 지금 인프라를 향상시키십시오. 탁월함을 선택하고, 내구성을 선택하여 파이프라인의 잠재력을 변화시키세요.
원자재부터 최종 배송까지 모든 단계에서 엄격한 관리를 유지하여 내구성, 성능 및 일관성을 보장합니다.
01
02
03
04
05
06
07
08
09
10
11
12
